Hlavička stránky

Šrouby

Podle materiálu, do kterého chcete šroub ukotvit, lze vybírat ze šroubů do dřeva, do sádrokartonu či betonu. K zašroubování lze použít ruční šroubovák, nebo si ulehčit práci aku šroubovákem.

Ocelový, nebo plastový?

  • Ocelové šrouby –⁠ Jsou pevné a vyrábějí se v mnoha délkách, tvarech a typech. Mají proto široké spektrum využití a zvládnou vysokou zátěž. Lze je navíc většinou použít opakovaně. Nevýhodou je sklon ke korozi.
  • Plastové šrouby –⁠ Jejich výhoda spočívá v nízké hmotnosti a naopak vysoké odolnosti proti chemikáliím a vlhkosti. Jsou však měkčí než ocelové a jejich závit nemusí být podruhé použitelný.

Šrouby podle funkce

  • Vratové šrouby – Poznáte je podle zaoblené hlavy. Díky čtyřhranu pod hlavou se při dotahování neprotáčejí. Využití najdou u laviček, branek, plotů, dveří a jiných dřevěných konstrukcí.
  • Samořezné šrouby – Mohou se zavrtat do materiálu a vytvořit vlastní závit. Hodí se tak do dřeva a dalších měkkých materiálů.
  • Farmářské šrouby – Používají se k připevňování plechů na dřevěné konstrukce. Jsou totiž vybaveny podložkou pod hlavou.

Tvar hlavy

  • Šrouby s plochou hlavou – Nejběžnější šrouby. Upevňují se křížovým nebo plochým šroubovákem a lehce vystupují z povrchu.
  • Šrouby se šestihrannou hlavou – Utahují se šestihranem. Využívají se od těžkých ocelových konstrukcí po jemnou mechaniku. Výrazně vystupují z povrchu, nejsou tedy příliš estetické.
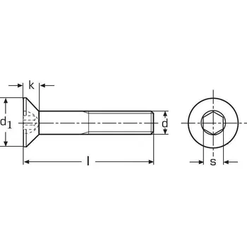
  • Šrouby se zápustnou hlavou – Díky kónickému tvaru tvoří rovinu s povrchem.

Typ závitu

Je určen průměrem a stoupáním závitu. Šrouby se závitem M4 mají průměr 4 mm, M6 mají průměr 6 mm, M8 mají průměr 8 mm a M10 10 mm. Stoupání závitu určuje, jak daleko se šroub posune při jednom otočení. Větší průměr a menší stoupání závitu zvyšují pevnost spoje, ale také zvyšují nároky na montáž.

Další spojovací materiál

  • Matice – Často se bez nich šrouby neobejdou. Slouží k oboustrannému utažení klíčem.
  • Vruty – Druh samořezných šroubů. Od šroubů se liší stoupáním závitu.
  • Hřebíky – Pro trvalé, méně namáhané spoje. Jsou méně nápadné než šrouby.
  • Hmoždinky – Hodí se k posílení hřebíku ve zdi.
  • Nýty – Jednoduše se aplikují, ale vyžadují použití nýtovacího kladiva nebo kleští. Až na výjimku tvoří nerozebíratelné spoje.
Hlavní obsah stránky

Podle materiálu, do kterého chcete šroub ukotvit, lze vybírat ze šroubů do dřeva, do sádrokartonu či betonu. K zašroubování lze použít ruční šroubovák, nebo si ulehčit práci aku šroubovákem.

Ocelový, nebo plastový?

  • Ocelové šrouby –⁠ Jsou pevné a vyrábějí se v mnoha délkách, tvarech a typech. Mají proto široké spektrum využití a zvládnou vysokou zátěž. Lze je navíc většinou použít opakovaně. Nevýhodou je sklon ke korozi.
  • Plastové šrouby –⁠ Jejich výhoda spočívá v nízké hmotnosti a naopak vysoké odolnosti proti chemikáliím a vlhkosti. Jsou však měkčí než ocelové a jejich závit nemusí být podruhé použitelný.

Šrouby podle funkce

  • Vratové šrouby – Poznáte je podle zaoblené hlavy. Díky čtyřhranu pod hlavou se při dotahování neprotáčejí. Využití najdou u laviček, branek, plotů, dveří a jiných dřevěných konstrukcí.
  • Samořezné šrouby – Mohou se zavrtat do materiálu a vytvořit vlastní závit. Hodí se tak do dřeva a dalších měkkých materiálů.
  • Farmářské šrouby – Používají se k připevňování plechů na dřevěné konstrukce. Jsou totiž vybaveny podložkou pod hlavou.

Tvar hlavy

  • Šrouby s plochou hlavou – Nejběžnější šrouby. Upevňují se křížovým nebo plochým šroubovákem a lehce vystupují z povrchu.
  • Šrouby se šestihrannou hlavou – Utahují se šestihranem. Využívají se od těžkých ocelových konstrukcí po jemnou mechaniku. Výrazně vystupují z povrchu, nejsou tedy příliš estetické.
  • Šrouby se zápustnou hlavou – Díky kónickému tvaru tvoří rovinu s povrchem.

Typ závitu

Je určen průměrem a stoupáním závitu. Šrouby se závitem M4 mají průměr 4 mm, M6 mají průměr 6 mm, M8 mají průměr 8 mm a M10 10 mm. Stoupání závitu určuje, jak daleko se šroub posune při jednom otočení. Větší průměr a menší stoupání závitu zvyšují pevnost spoje, ale také zvyšují nároky na montáž.

Další spojovací materiál

  • Matice – Často se bez nich šrouby neobejdou. Slouží k oboustrannému utažení klíčem.
  • Vruty – Druh samořezných šroubů. Od šroubů se liší stoupáním závitu.
  • Hřebíky – Pro trvalé, méně namáhané spoje. Jsou méně nápadné než šrouby.
  • Hmoždinky – Hodí se k posílení hřebíku ve zdi.
  • Nýty – Jednoduše se aplikují, ale vyžadují použití nýtovacího kladiva nebo kleští. Až na výjimku tvoří nerozebíratelné spoje.
Dostupnost
Seznam produktů kategorie
Šroub šroub M3x10 BEZ PÚ 14H stavěcí, drážka + plochý DIN 551

šroub M3x10 BEZ PÚ 14H stavěcí, drážka + plochý DIN 551

Doprava od 109 Kč
Osobní odběr od 109 Kč
1,03 Kč

eshop.killich.cz

Zobrazit detail
Šroub imbus M5x35 A2 NEREZ zápustná hlava DIN 7991 - ISO 10642

imbus M5x35 A2 NEREZ zápustná hlava DIN 7991 - ISO 10642

  • Tvar hlavy zápustná
  • Ocel
Doprava od 109 Kč
Osobní odběr od 109 Kč
1,03 Kč

eshop.killich.cz

Zobrazit detail
Šroub kolík 4x6 m6 BEZ PÚ válcový DIN 7 A

kolík 4x6 m6 BEZ PÚ válcový DIN 7 A

  • M6
Doprava od 109 Kč
Osobní odběr od 109 Kč
1,03 Kč

eshop.killich.cz

Zobrazit detail
Šroub šroub M6x60 ZINEK kombinovaný

šroub M6x60 ZINEK kombinovaný

Doprava od 109 Kč
Osobní odběr od 109 Kč
1,03 Kč

eshop.killich.cz

Zobrazit detail
Šroub šroub M6x30 A2 NEREZ zápustná hlava křížová drážka DIN 965-PH

šroub M6x30 A2 NEREZ zápustná hlava křížová drážka DIN 965-PH

  • Tvar hlavy zápustná
Doprava od 109 Kč
Osobní odběr od 109 Kč
1,03 Kč

eshop.killich.cz

Zobrazit detail
Šroub šroub M3x3 ZINEK 4.8 válcová hlava rovná drážka DIN 84

šroub M3x3 ZINEK 4.8 válcová hlava rovná drážka DIN 84

  • Tvar hlavy válcová
Doprava od 109 Kč
Osobní odběr od 109 Kč
1,03 Kč

eshop.killich.cz

Zobrazit detail
Šroub kolík 6x16 m6 BEZ PÚ válcový kalený DIN 6325

kolík 6x16 m6 BEZ PÚ válcový kalený DIN 6325

  • Délka 16000 mm
  • Průměr 6 mm
Doprava od 109 Kč
Osobní odběr od 109 Kč
1,03 Kč

eshop.killich.cz

Zobrazit detail
Šroub šroub M6x16 A2 NEREZ půlkulatá hlava křížová drážka PH DIN 7985

šroub M6x16 A2 NEREZ půlkulatá hlava křížová drážka PH DIN 7985

  • Tvar hlavy půlkulatá
Doprava od 109 Kč
Osobní odběr od 109 Kč
1,04 Kč

eshop.killich.cz

Zobrazit detail
Šroub šroub M3x12 BEZ PÚ 14H stavěcí, drážka + plochý DIN 551

šroub M3x12 BEZ PÚ 14H stavěcí, drážka + plochý DIN 551

Doprava od 109 Kč
Osobní odběr od 109 Kč
1,04 Kč

eshop.killich.cz

Zobrazit detail
Šroub šroub M3x30 ZINEK 4.8 velká válcová hlava rovná drážka DIN 85

šroub M3x30 ZINEK 4.8 velká válcová hlava rovná drážka DIN 85

Doprava od 109 Kč
Osobní odběr od 109 Kč
1,04 Kč

eshop.killich.cz

Zobrazit detail
Šroub šroub do plechu 5.5x22 A2 NEREZ půlkulatá hlava křížová drážka (Philips) DIN 7981 C-H

šroub do plechu 5.5x22 A2 NEREZ půlkulatá hlava křížová drážka (Philips) DIN 7981 C-H

  • Tvar hlavy půlkulatá
Doprava od 109 Kč
Osobní odběr od 109 Kč
1,04 Kč

eshop.killich.cz

Zobrazit detail
Šroub tex 6.3x22 ZINEK zápustná hlava křížová drážka ISO 15482 DIN 7504P

tex 6.3x22 ZINEK zápustná hlava křížová drážka ISO 15482 DIN 7504P

  • Tvar hlavy zápustná
Doprava od 109 Kč
Osobní odběr od 109 Kč
1,04 Kč

eshop.killich.cz

Zobrazit detail
Šroub imbus M4x25 BEZ PÚ 10.9 půlkulatá hlava ISO 7380-1

imbus M4x25 BEZ PÚ 10.9 půlkulatá hlava ISO 7380-1

  • Tvar hlavy půlkulatá
Doprava od 109 Kč
Osobní odběr od 109 Kč
1,04 Kč

eshop.killich.cz

Zobrazit detail
Šroub šroub M3x16 BEZ PÚ 45H stavěcí + hrot DIN 914 ISO 4027

šroub M3x16 BEZ PÚ 45H stavěcí + hrot DIN 914 ISO 4027

Doprava od 109 Kč
Osobní odběr od 109 Kč
1,04 Kč

eshop.killich.cz

Zobrazit detail
Šroub šroub M8x12 ZINEK 8.8 šestihranný, celý závit, DIN 933

šroub M8x12 ZINEK 8.8 šestihranný, celý závit, DIN 933

Doprava od 109 Kč
Osobní odběr od 109 Kč
1,04 Kč

eshop.killich.cz

Zobrazit detail
Šroub šroub M8x16 BEZ PÚ 8.8 šestihranný, celý závit, DIN 933

šroub M8x16 BEZ PÚ 8.8 šestihranný, celý závit, DIN 933

Doprava od 109 Kč
Osobní odběr od 109 Kč
1,04 Kč

eshop.killich.cz

Zobrazit detail
Šroub šroub M8x10 ZINEK 8.8 šestihranný, celý závit, DIN 933

šroub M8x10 ZINEK 8.8 šestihranný, celý závit, DIN 933

Doprava od 109 Kč
Osobní odběr od 109 Kč
1,04 Kč

eshop.killich.cz

Zobrazit detail
Šroub spojovací článek M6x14 NIKL šroub

spojovací článek M6x14 NIKL šroub

Doprava od 109 Kč
Osobní odběr od 109 Kč
1,04 Kč

eshop.killich.cz

Zobrazit detail
Šroub šroub M4x25 BEZ PÚ 45H stavěcí + důlek DIN 916 ISO 4029

šroub M4x25 BEZ PÚ 45H stavěcí + důlek DIN 916 ISO 4029

Doprava od 109 Kč
Osobní odběr od 109 Kč
1,04 Kč

eshop.killich.cz

Zobrazit detail
Šroub šroub M6x20 BÍLÝ ZINEK nábytkářský válcová hlava 17mm

šroub M6x20 BÍLÝ ZINEK nábytkářský válcová hlava 17mm

16300.18.01.060.020…

1,05 Kč

eshop.killich.cz

Zobrazit detail
Šroub šroub M6x40 ZINEK 4.8 půlkulatá hlava křížová drážka PH DIN 7985

šroub M6x40 ZINEK 4.8 půlkulatá hlava křížová drážka PH DIN 7985

  • Tvar hlavy půlkulatá
Doprava od 109 Kč
Osobní odběr od 109 Kč
1,05 Kč

eshop.killich.cz

Zobrazit detail
Šroub šroub M2.5x8 ZINEK 4.8 velká válcová hlava rovná drážka DIN 85

šroub M2.5x8 ZINEK 4.8 velká válcová hlava rovná drážka DIN 85

Doprava od 109 Kč
Osobní odběr od 109 Kč
1,05 Kč

eshop.killich.cz

Zobrazit detail
Šroub kolík 3x30 m6 BEZ PÚ válcový DIN 7 A

kolík 3x30 m6 BEZ PÚ válcový DIN 7 A

  • Délka 30000 mm
  • Průměr 3000 mm
Doprava od 109 Kč
Osobní odběr od 109 Kč
1,05 Kč

eshop.killich.cz

Zobrazit detail
Šroub imbus M6x16 ŽLUTÝ ZINEK 10.9 zápustná hlava DIN 7991 - ISO 10642

imbus M6x16 ŽLUTÝ ZINEK 10.9 zápustná hlava DIN 7991 - ISO 10642

  • Tvar hlavy zápustná
Doprava od 109 Kč
Osobní odběr od 109 Kč
1,05 Kč

eshop.killich.cz

Zobrazit detail
Šroub šroub M6x20 A2 NEREZ čočková hlava, křížová drážka PH DIN 966

šroub M6x20 A2 NEREZ čočková hlava, křížová drážka PH DIN 966

Doprava od 109 Kč
Osobní odběr od 109 Kč
1,05 Kč

eshop.killich.cz

Zobrazit detail
Šroub kolík 4x10 m6 BEZ PÚ válcový DIN 7 A

kolík 4x10 m6 BEZ PÚ válcový DIN 7 A

  • Délka 10000 mm
  • Průměr 4000 mm
Doprava od 109 Kč
Osobní odběr od 109 Kč
1,05 Kč

eshop.killich.cz

Zobrazit detail
Šroub imbus M3x30 ZINEK 10.9 zápustná hlava DIN 7991 - ISO 10642

imbus M3x30 ZINEK 10.9 zápustná hlava DIN 7991 - ISO 10642

  • Průměr 30 mm
  • Tvar hlavy zápustná
Doprava od 109 Kč
Osobní odběr od 109 Kč
1,05 Kč

eshop.killich.cz

Zobrazit detail
Šroub kolík 3x50 BEZ PÚ pružný DIN 1481 ISO 8752

kolík 3x50 BEZ PÚ pružný DIN 1481 ISO 8752

Doprava od 109 Kč
Osobní odběr od 109 Kč
1,05 Kč

eshop.killich.cz

Zobrazit detail
Šroub kolík m6 4x12 BEZ PÚ válcový ISO 2338 A

kolík m6 4x12 BEZ PÚ válcový ISO 2338 A

Doprava od 109 Kč
Osobní odběr od 109 Kč
1,05 Kč

eshop.killich.cz

Zobrazit detail
Šroub imbus M4x30 ZINEK 10.9 půlkulatá hlava ISO 7380-1

imbus M4x30 ZINEK 10.9 půlkulatá hlava ISO 7380-1

Doprava od 109 Kč
Osobní odběr od 109 Kč
1,05 Kč

eshop.killich.cz

Zobrazit detail
Šroub šroub M5x12 ZINEK 14H stavěcí, drážka + plochý DIN 551

šroub M5x12 ZINEK 14H stavěcí, drážka + plochý DIN 551

Doprava od 109 Kč
Osobní odběr od 109 Kč
1,05 Kč

eshop.killich.cz

Zobrazit detail
Šroub šroub M5x25 ŽLUTÝ ZINEK 4.8 válcová hlava rovná drážka DIN 84

šroub M5x25 ŽLUTÝ ZINEK 4.8 válcová hlava rovná drážka DIN 84

  • Tvar hlavy válcová
Doprava od 109 Kč
Osobní odběr od 109 Kč
1,05 Kč

eshop.killich.cz

Zobrazit detail
Šroub šroub M4x8 ZINEK malá hlava rovná drážka DIN 920

šroub M4x8 ZINEK malá hlava rovná drážka DIN 920

Doprava od 109 Kč
Osobní odběr od 109 Kč
1,06 Kč

eshop.killich.cz

Zobrazit detail
Šroub kolík 4x24 A2 NEREZ pružný DIN 1481 ISO 8752

kolík 4x24 A2 NEREZ pružný DIN 1481 ISO 8752

  • Délka 24 mm
  • Průměr 4 mm
  • Ocel
Doprava od 109 Kč
Osobní odběr od 109 Kč
1,06 Kč

eshop.killich.cz

Zobrazit detail
Šroub šroub M6x25 A2 NEREZ stavěcí + hrot DIN 914 ISO 4027

šroub M6x25 A2 NEREZ stavěcí + hrot DIN 914 ISO 4027

Doprava od 109 Kč
Osobní odběr od 109 Kč
1,06 Kč

eshop.killich.cz

Zobrazit detail
Šroub šroub M5x10 ZINEK 8.8 límec hladký DIN 6921

šroub M5x10 ZINEK 8.8 límec hladký DIN 6921

Doprava od 109 Kč
Osobní odběr od 109 Kč
1,06 Kč

eshop.killich.cz

Zobrazit detail
Šroub šroub M4x6 ZINEK malá hlava rovná drážka DIN 920

šroub M4x6 ZINEK malá hlava rovná drážka DIN 920

Doprava od 109 Kč
Osobní odběr od 109 Kč
1,06 Kč

eshop.killich.cz

Zobrazit detail
Šroub šroub do plechu 5.5x16 ZINEK půlkulatá hlava TORX 25 DIN 7981 C ISO 14585

šroub do plechu 5.5x16 ZINEK půlkulatá hlava TORX 25 DIN 7981 C ISO 14585

  • Tvar hlavy půlkulatá
Doprava od 109 Kč
Osobní odběr od 109 Kč
1,06 Kč

eshop.killich.cz

Zobrazit detail
Šroub imbus M4x35 BEZ PÚ 8.8 válcová hlava DIN 912

imbus M4x35 BEZ PÚ 8.8 válcová hlava DIN 912

  • Tvar hlavy válcová
Doprava od 109 Kč
Osobní odběr od 109 Kč
1,06 Kč

eshop.killich.cz

Zobrazit detail
Šroub šroub M5x60 ZINEK 4.8 půlkulatá hlava křížová drážka PH DIN 7985

šroub M5x60 ZINEK 4.8 půlkulatá hlava křížová drážka PH DIN 7985

  • Tvar hlavy půlkulatá
Doprava od 109 Kč
Osobní odběr od 109 Kč
1,06 Kč

eshop.killich.cz

Zobrazit detail
Šroub šroub M5x80 ZINEK 4.8 zápustná hlava křížová drážka DIN 965-PH

šroub M5x80 ZINEK 4.8 zápustná hlava křížová drážka DIN 965-PH

Doprava od 109 Kč
Osobní odběr od 109 Kč
1,06 Kč

eshop.killich.cz

Zobrazit detail
Šroub šroub M6x30 ZINEK 4.8 půlkulatá hlava křížová drážka PH DIN 7985

šroub M6x30 ZINEK 4.8 půlkulatá hlava křížová drážka PH DIN 7985

  • Tvar hlavy půlkulatá
Doprava od 109 Kč
Osobní odběr od 109 Kč
1,06 Kč

eshop.killich.cz

Zobrazit detail
Šroub kolík 4x50 BEZ PÚ pružný DIN 1481 ISO 8752

kolík 4x50 BEZ PÚ pružný DIN 1481 ISO 8752

Doprava od 109 Kč
Osobní odběr od 109 Kč
1,06 Kč

eshop.killich.cz

Zobrazit detail
Šroub šroub do plechu 4.8x38 A2 NEREZ půlkulatá hlava křížová drážka (Philips) DIN 7981 C-H

šroub do plechu 4.8x38 A2 NEREZ půlkulatá hlava křížová drážka (Philips) DIN 7981 C-H

  • Tvar hlavy půlkulatá
Doprava od 109 Kč
Osobní odběr od 109 Kč
1,06 Kč

eshop.killich.cz

Zobrazit detail
Šroub šroub do plechu 4.8x50 A2 NEREZ zápustná hlava křížová drážka (Philips) DIN 7982 C-H

šroub do plechu 4.8x50 A2 NEREZ zápustná hlava křížová drážka (Philips) DIN 7982 C-H

  • Délka 50 mm
  • Průměr 4,8 mm
  • Tvar hlavy zápustná
  • Ocel
Doprava od 109 Kč
Osobní odběr od 109 Kč
1,06 Kč

eshop.killich.cz

Zobrazit detail
Šroub šroub M8x12 BEZ PÚ 45H stavěcí + hrot DIN 914 ISO 4027

šroub M8x12 BEZ PÚ 45H stavěcí + hrot DIN 914 ISO 4027

Doprava od 109 Kč
Osobní odběr od 109 Kč
1,06 Kč

eshop.killich.cz

Zobrazit detail
Šroub kolík 5x20 m6 BEZ PÚ válcový kalený DIN 6325

kolík 5x20 m6 BEZ PÚ válcový kalený DIN 6325

  • M6
Doprava od 109 Kč
Osobní odběr od 109 Kč
1,06 Kč

eshop.killich.cz

Zobrazit detail
Šroub šroub M6x30 ZINEK 4.8 zápustná hlava rovná drážka DIN 963

šroub M6x30 ZINEK 4.8 zápustná hlava rovná drážka DIN 963

Doprava od 109 Kč
Osobní odběr od 109 Kč
1,06 Kč

eshop.killich.cz

Zobrazit detail
Filtry
Filtrování
Smazat všechny filtry

Kategorie