
Made in Hungary Unašeč spojky MZ ETZ 125/150
Jawamarkt.cz

Jawamarkt.cz

Tato malá řadící vidlička je navržena k pohybu hřídele řazení v duté hřídeli uvnitř motoru. Vysoká kvalita zpracování a…
Motokramek.cz

Motokramek.cz

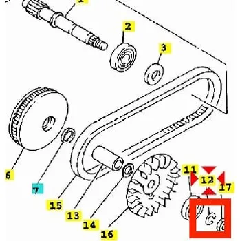
Kolo náhonu je umistněn na rozetě zadního kola. Určeno pro motocykly: MZ ETZ - 150, 251 Parametry: Venkovní průměr přez…
Motokramek.cz

Motokramek.cz

Originální hadice sání vzduchu pro chlazení variátoru pro skútry Piaggio. OEM kod 672258. OEM kód 672258. Pasuje na…
Scootland.cz

Originální gumová hadice sání variátoru od výrobce Honda. Cena je za jeden kus. Pro Honda Lead 100ccm. OEM kód 11345GCC000.…
Scootland.cz

Originální gufero převodů, nacházející se na spojkové hřídeli. OEM kód 931022539500. Pasuje na následující skútry: Yamaha…
Scootland.cz

Originální pístní čep od výrobce Peugeot o rozměru 15x39mm. Cena je za jeden kus. OEM kód 802795. Pasuje na následující…
Scootland.cz

CR125 87-07 15-19-17,2 mm org.č.93310-21510-00…
Brumla.com

Honda SH 150 I Kymco DINK 125 Kymco G-DINK 125 Kymco DINK 125 I Kymco GRAND DINK 125 Kymco DINK 200 E3 Kymco GRAND DINK 150…
Yshop.cz

Motoveterandily, MVDily

Originální vzduchový filtr variátoru pro Yamaha Vity 125. OEM kód 4P7E54070000. Pasuje na následující skútry: Yamaha Vity…
Scootland.cz

Rohatka pro nožní startování pro skútry Peugeot 50ccm (Speedfight, Zenith, Ludix) Tato rohatka se vyrábí ve 3 rozměrech a to…
Scootland.cz

Ložisko 6204 pro různé účely. Cena je za jeden kus. Pasuje na následující skútry: Piaggio Vespa PX 125 vzduchem chlazený 2T…
Scootland.cz

Originální kontrastní pružina pro motory Piaggio 125-300ccm.. OEM kód 833673. Pasuje na následující skútry: Piaggio MP3 LT…
Scootland.cz

OFP01RD, ACCEL víčko plnicího otvoru oleje HONDA CR 125/250 87-04, CRF 450 02-04 barva červená (závit M20x2,5)…
LuckyMoto.cz

Kvalitní řetězové kolečko vyrobeno v České republice Určeno pro motocykly: Babetta - 210 Parametry: Vnitřní průměr: 15 mm…
Motokramek.cz

Spojkové lamely Sport maji tvrdší zuby proto jsou dopručeny spíše do upravených strojů. Obložení je vyrobeno z vysoce…
Motokramek.cz

- válečky (kladky) variátoru RMS - rozměr - 19 x 15,5 mm - hmotnost - 4,80 g - počet kusů v sadě - 6…
Demoto.cz

- válečky (kladky) variátoru RMS - rozměr - 19 x 15,5 mm - hmotnost - 4,80 g - počet kusů v sadě - 6…
Demoto.cz

Náhradní díl pro soustavu startování nakopávačkou. Cena je za jeden kus. Pasuje na následující skútry: Beta Eikon 50 vodou…
Scootland.cz

Kontrastní pružina od Polini. Pružina je o cca 33% tvrdší než originální. Rozměry: tloušťka drátu (4mm), délka 110mm a…
Scootland.cz

Sportovní jehličkové ložisko pístního čepu od renomovaného výrobce Top Racing licenčně vyráběné výrobcem Jasil. Díky použití…
Scootland.cz

Náhradní vzduchový filtr pro chlazení variátoru od výrobce RMS. Kod originálu 59C154070000. Výrobce: 101_Octane, název:…
Scootland.cz

Levná varianta sportovní polořemenice vyroběné technologií CNC. Polořemenice se dodává i s podložkou. Pro 13mm tisícihran.…
Scootland.cz

Startovací páka JAWA 50 - 550, 555, 05, 20, 21, 23 Výroba: Motomax s.r.o…
Motodilyhlucin.cz

Pístní kroužky Naraku určené pro válce Naraku Sport 70ccm. Sada obsahuje dva pístní kroužky. Výrobce: Naraku, název: Pístní…
Scootland.cz

Ložisko SKF 6202 2RS C3 od značky Centauro je kvalitní a odolné ložisko určené pro spolehlivý chod motoru a dalších částí…
Scootland.cz

Gufero Btsl 25x52x7 C.Ptfe od značky Centauro je spolehlivý náhradní díl určený pro skútry. Vyroben z prvotřídních…
Scootland.cz

Pístní kroužky Naraku určené pro válce Naraku Sport 70ccm. Sada obsahuje dva pístní kroužky. Výrobce: Naraku, název: Pístní…
Scootland.cz

Řemen variátoru na skútr: Zkontrolujte rozměr s původním řemenem !!!!! Vhodný pro modely např.:PeugeotBUXY 50 /94-97/ELYSEO…
Motoborney.cz

Řemen variátoru na skútr Zkontrolujte rozměr s původním řemenem !!! Pro některé modely značek: Adly, AGM, ATU/Explorer,…
Motoborney.cz

Toto kolo je osazeno na předlohové hřídeli na drážkování. Tento díl je ORIGINÁL z původní výroby ČSSR.vše je nové,…
Motokramek.cz

Sada obsahuje pouzdro předlohové hřídele průchozí a pouzdro předlohové hřídele neprůchozí. Pouzdra jsou připravena k montáži…
Motokramek.cz

Kvalitní řemen od výrobce Bando pro skútry Piaggio Zip 50 2T 91-94 a Sfera 50 2T 91-94. OEM kod 286175. Pasuje na…
Scootland.cz

Gufero Rp75fp 19x30x7 od značky Centauro je spolehlivý náhradní díl určený pro skútry. Vyroben z prvotřídních materiálů,…
Scootland.cz

Ložisko SKF 6206 od značky Centauro je kvalitní a odolné ložisko určené pro spolehlivý chod motoru a dalších částí skútru.…
Scootland.cz

Standardní nakopávačka pro čínské skútry 50/125ccm 4T. Výrobce Baotian z nějakého důvodu stejnou nakopávačku prodává pod…
Scootland.cz

Náhrada za originální válečky pro Váš skútr. Sada obsahuje 6ks válečků. Výrobce: RMS, název: Válečky 20x12 RMS --8,5 gr,…
Scootland.cz

Matice kolena výfuku MZ - ETZ 125, 150 Určeno pro motocykly: ETZ 125, 150 Parametry: Závit: M45 x 1,5 mm Distributor: MZA…
Motokramek.cz

Originální podložka polořemenice pro Yamaha Teos 125/150ccm. Cena je za jeden kus. OEM kód 902081205000. Pasuje na…
Scootland.cz

Standardní nakopávačka pro čínské skútry 50ccm 2T a skútry s motory Minarelli 50ccm 2T. Výrobce Baotian. Pro hřídel o…
Scootland.cz

Standardní pístní sada s 12mm pístním čepem na 50ccm válec pro Piaggio Ciao. Balení obsahuje píst, kroužky, čep a ségrovky.…
Scootland.cz

Náhrada za originální válečky pro Váš skútr. Sada obsahuje 6ks válečků. Výrobce: RMS, název: Válečky 19x17 RMS --7 gr, kód:…
Scootland.cz

Řemen variátoru pro čínské 125ccm – 150ccm 4T. Rozměry: 743x20mm. Pro skútry s 10-palcovými koly. Vzdálenost osy variátoru a…
Scootland.cz

Sada originálních vodítek do originálního variátoru pro motory Honda 110ccm. Cena je za balení třech kusů. OEM kód…
Scootland.cz