
Opravný hřídelový kroužek WSH-R 39,7x47,2x14,3/17,5 Rubena
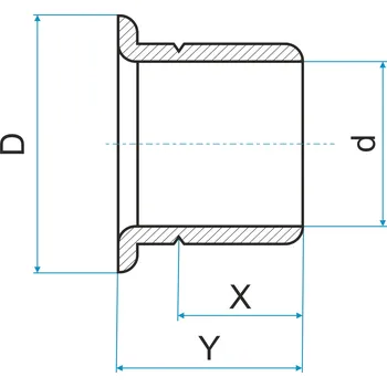
Opravná hřídelová pouzdra WSH R se používají k jednoduché a velmi efektivní opravě poškozeného nebo opotřebovanéhopovrchu…
508 Kč
EXVALOS

Opravná hřídelová pouzdra WSH R se používají k jednoduché a velmi efektivní opravě poškozeného nebo opotřebovanéhopovrchu…
EXVALOS

Opravná hřídelová pouzdra WSH R se používají k jednoduché a velmi efektivní opravě poškozeného nebo opotřebovanéhopovrchu…
EXVALOS